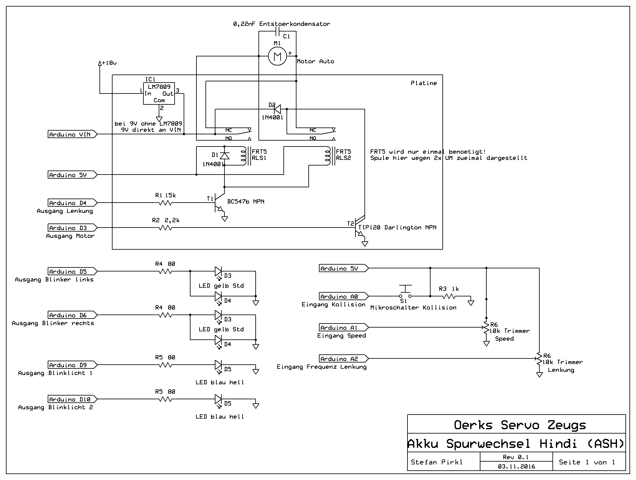
Chucky06 hat geschrieben:Wobei ich aber wohl ne "lite" version mit attiny oder atmega mache. Paar blink leds, submini relais und nen 7805 liegen noch in der bastel kiste

So, Chucky ist Schuld, dass in meinem Kopf die Maschine angesprungen ist, wie man es besser lösen könnte...
Herausgekommen ist, ich teste ob es nicht mit einem ATTiny und einer H-Brücke auch zu lösen ist (sollte es, wenn nicht liegt's an meinen Fähigkeiten...).
Das heißt, das Projekt verschiebt sich um 1-2 Wochen nach hinten.
Vorteile:
- es hat alles auf einer Platine von ca. 3x3cm Platz, statt einer Platine plus Arduino.
- Man muss nix in China bestellen, Lieferzeit deutlich kürzer
Melde mich wieder, wenn's spruchreif ist...